BOR‑01‑ALC е оптичен приемник, предназначен за работа в HFC (хибридни влакнесто / коаксиални) CATV оптични системи с мрежова архитектура от типа
FTTB. Разработен е специално за изграждане на съвременни сградни CATV мрежи, като са заложени следните основни принципи:
● Малки габарити
● Високо изходно ниво - GaAs "Push-Pull" усилвател в изхода
● Универсално захранване
● Включване към кабелната мрежа без необходимост от използване на специализирани измервателни уреди
● Напълно автоматична и надеждна работа
● Конкурентна цена
Характерни особености:
● Малки габарити за удобен монтаж в табла
● Високо изходно ниво
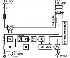
● Напълно автоматична работа, като едновременно се следи входното оптично ниво и изходнaта RF мощност (система ALC). В автоматичен режим вграденият микроконтролер гарантира постоянно изходно RF ниво, независимо от промяната на входното оптично ниво. Едновременно с това контролерът позволява достигане на максимално допустимото изходно RF ниво на границата на възникване на нелинейни изкривявания независимо от промяната на броя на телевизионните канали (аналогови или цифрови), или при промяна на наклона на амплитудно‑честотната характеристика в изхода.
● Универсално захранване с верига за забавен старт
● Включване към кабелната мрежа без необходимост от използване на специализирани измервателни уреди
● Работа при ниско ниво на оптичната мощност
● Индикатор на нивото на входната оптична мощност
● Индикатор за състоянието на системата ALC
● Прецизен цифров регулатор на изходното ниво с индикатор за неговото състояние
● Плавно регулиране на наклона
● Мощен (push‑pull) GaAs усилвател в изхода
● Вграден AC Inserter за подаване на захранване в изхода
● Вградени възстановяеми защити от пренапрежение
● Малка консумация на електроенергия
● Лесен монтаж и експлоатация
ПАРАМЕТРИ
Оптични параментри |
|---|
| Дължина на вълната | [nm] | 1100 ÷ 1600 |
| Загуби от отражение | [dB] | > 45 |
| Тип на оптичното влакно | Едномодово 9/125µm |
| Оптичен съединител | SC/APC |
Номинална входна оптична мощност (диапазон на работа на ALC) | [dBm] | -7 ÷ +1 |
Индикатор за входната оптична мощност: | Ниска (< ‑7 dBm) | Угаснал |
Номинална (‑7 dBm ÷ +1 dBm) | Мигащ с променлива продължителност в зависимост от оптичната мощност (системата ALC е сработила) |
| Висока (> +1 dBm) | Постоянно светещ |
Радиочестотни параметри |
|---|
| Работен честотен диапазон | [MHz] | 45 ÷ 900 |
| Изходен импеданс | [Ω] | 75 |
Подтискане на отразения сигнал в изходите | [dB] | > 20 dB (-1.5 dB/oct.) |
| Амплитудна неравномерност (O-E) | [dB] | < ±1 |
Максимално изходно ниво, ограничено от усилването и OMI=5%/канал | [dBµV] | 110 (при входна оптична мощност ‑7 dBm) |
Обхват на регулиране на изходното ниво | [dB] | 0 ÷ 30 със стъпка 0.5 dB |
Режими на регулиране на изходното ниво | [dB] | Ръчно или автоматично (система ALC за поддържане на постоянно изходно ниво) |
Индикатор за състоянието на регулатора на изходното RF ниво: | Максимално ниво | | Постоянно светещ |
| Режим на регулиране | | Мигащ с променлива продължителност в зависимост от положението на регулатора |
Минимално ниво (Макс. ниво - 30dB) | | Угаснал |
Индикатор за възникване на нелинейни изкривявания в изхода | | Да (червен цвят) Светва при превишаване на изходното ниво над максимално допустимото. |
Изходно ниво, поддържано от системата ALC | | Фабрично зададена стойност, или потребителска стойност, по-малка или равна на фабричната |
Максимално изходно ниво, CENELEC 110Ch. (без наклон) | [dBµV] | 108 |
Отношение C/N при входна оптична мощност: | 0 dBm и OMI = 5% / канал | [dB] | > 64 |
-5 dBm и OMI = 5% / канал | [dB] | > 54 |
-7 dBm и OMI = 5% / канал | [dB] | > 51 |
Регулиране на честотната корекция | [dB] | 0 ÷ 20 |
| Изходен съединител | F3/8" |
Общи параметри |
|---|
| Захранващо напрежение | От захранващата клема (Power 1) | 24 ÷ 70V/50 Hz или 24 ÷ 100VDC |
От жака за външен адаптер (Power 2) | 15 ÷ 18VDC |
От RF изхода (Power 3) | 24 ÷ 70V/50 Hz или 24 ÷ 100VDC |
| Консумирана мощност | [VA] | < 10 |
Време за забавен старт след включване на захранващото напрежение | [sec] | 1 или 2 (означено на етикета) |
| Максимално пропускан ток по линията | [A] | 1 |
| Работен температурен обхват | [°C] | -15 ÷ +55 |
| Клас на защита | IP 20 |
| Габаритни размери (L x W x H) | [mm] | 154 / 120 / 56 |
| Маса | [kg] | 0.46 |